山东绿知源环保工程有限公司---LM膜法稀酸处理技术(焦化厂脱硫废液及硫泡沫制硫酸配套技术)一、公司简介山东绿知源环保工程有限公司座落于美丽的山东省临沂市罗庄区,公司主要为客户···
阅读量:4122022
山东绿知源环保工程有限公司---喷浆法脱硫废液制酸技术一、公司简介山东绿知源环保工程有限公司座落于美丽的山东省临沂市北部新城,公司主要为客户制定并实施硫磷行业固体排放物环保解决方案。公司专···
阅读量:4132022
焦化脱硫废液制硫酸工艺流程图
阅读量:3192022
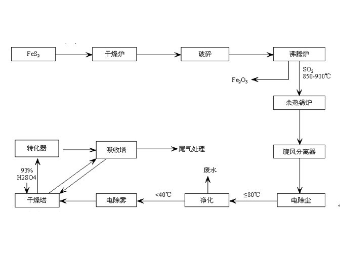
烟气/硫铁矿制硫酸工艺流程图
阅读量:2472022
硫磺制硫酸工艺流程图
阅读量:1702022
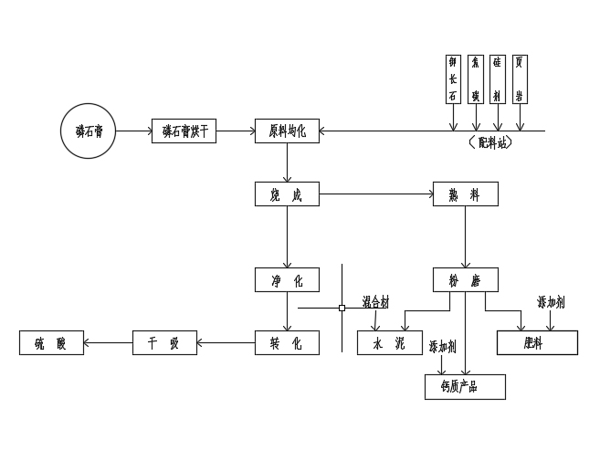
硫石膏制硫酸工艺流程图
阅读量:1342022
Copyright © 2022 山东绿知源环保工程有限公司 版权所有 XML地图
技术支持:宏玉祥源
扫一扫咨询微信客服